日期:2025-10-23瀏覽: 來源:不朽情緣特
水處理設備中的多介質過濾器的使用操作說明書如下:
1. 系統說明
1.1系統設計依據及要求
參考數據:《生活飲用水衛生規程》、《地表水環境質量標準》、《給水排水設計手冊》、《水處理工程師手冊》、及業主提供的資料及要求;
原水水質:地表水;
原水流量:≥ m3/h;
出水水質:
產水量:≥ m3/h
1.2系統具體情況介紹
系統配置:預處理、消毒,以及相關的附助設備;
系統產水用途:農村生活飲用水;
系統運行班次:連續運行;
供水方式:連續供水,供水量 m3/h;
運行方式:系統為手動操作控制調節;
工程交接:
進水驗收接口:原水泵進水口;
出水驗收接口:緩釋消毒器出水口;
場地要求:300毫米厚混凝土地面。
2. 不朽情緣_官方網站說明
2.1預處理部分
2.1.1、不朽情緣_官方網站介紹
石英砂過濾器,它是利用石英沙作為過濾介質,在一定的壓力下,把濁度較高的水通過一定厚度的粒狀或非粒的石英砂過濾,有效的截留除去水中的懸浮物、有機物、膠質顆粒、微生物、氯、嗅味及部分重金屬離子等,最終達到降低水濁度、凈化水質效果的一種高效過濾設備。常用濾料有石英砂、活性碳、無煙煤、錳砂等。廣泛運用到農業灌溉、化工、石油、冶金、工礦等各行業。
2.1.2 作用特點及工作原理
(1)石英砂過濾器的作用
石英砂濾器是一種壓力式過濾器,利用過濾器內所填充的精制石英砂濾料,當進水自上而下流經濾層時,水中的懸浮物及粘膠質顆粒被去除,從而使水的濁度降低。
(2)石英砂過濾器的主要特點
石英砂過濾器設備結構簡單、運行可以實現自動控制、處理流量大、反沖次數少、過濾效率高、阻力小、操作維修方便等特點。
本不朽情緣_官方網站可分為手動型。手動型主要是通過閥門的調節來控制過濾器的運行、正洗、反洗;罐體材質可分為不銹鋼罐,罐體規格
(3)石英砂過濾的工作原理
石英砂過濾器是利用一種或幾種過濾介質,常溫操作、耐酸堿、氧化,PH適用范圍為2-13。系統配置完善的保護裝置和監測儀表,且具有反沖洗功能,泥垢等污染物很快被沖走,耗水量少,按用戶要求可設置全自動功能。在一定的壓力下,使原液通過該介質的觸絮凝、吸附、截留,去除雜質,從而達到過濾的目的。其內裝的填料一般為:石英砂濾料,填料高度一般1000-1100mm之間。
當機械過濾器因截留過量的機械雜質而影響其正常工作,則可用反沖洗的方法來進行清洗。利用逆向進水,使過濾器內濾料層松動,可使粘附于濾料表面的截留物剝離并被反沖水流帶走,有利于排除濾層中的沉渣、懸浮物等,并防止濾料板結,使其充分恢復截污能力,從而達到清洗的目的。反洗以進出口壓差參數設置來控制反沖洗周期,經驗得知一般為2~3天,具體須視原水濁度而定。
機械過濾器采用5組操作閥,過濾器的啟運、正洗、反洗、停機等工序均是手動/自動控制操作。
當機械過濾器運行至進出口壓差為0.07-0.1MPa左右時,須進行反洗。
(4)石英砂過濾的技術參數
工作壓力:<0.6Mpa
進水濁度:<10mg/L。
出水濁度:<3~5mg/L。
工作溫度: 5-40℃
運行流速: 8~12m/h
反洗強度: 12~15L/m2·s
填料高度: 1000-1100mm
3. 系統運行操作說明

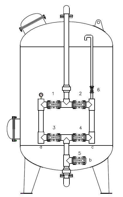
設備示意圖
a:進水口 b:出水口 c:排水口
1:進水閥 2:反洗排放閥 3:反洗閥
4:正洗排放閥 5:出水閥 6:排氣閥
3.1開機準備
a. 檢查過濾器本體及附屬的各種閥門、管路、儀表和各種設備附件是否完好;
b. 檢查原水泵、電氣設備、各種現場儀表及各種附屬設施是否完好;
c. 確認各種排放、正洗、反洗等閥門已關閉;
d. 過濾器排氣閥門見水后關閉;
3.2 開機運行
運行工作流程:
初次開機:排氣 →沖洗 →反洗(二) →正洗 → 待機
平時運行:制水→ 反洗(一) →正洗 →運行(制水)
注:長時間停運后開車,應從反沖洗(一)工序開始。
3.2.1 排氣、沖洗
初次調試時由于設備內部存有空氣,故設排氣步序。慢慢打開石英砂過濾器進水閥1、排氣閥6,至排氣閥出水后,關閉排氣閥1,打開正洗排放閥4備用。
設備初始運行時各過濾層無法及時形成,故過濾效果不佳,因此設沖洗步序。打開過濾器進水閥1、正洗排放閥4,運行至出水濁度≤2mg/L。
以上二步在今后的運行中將不再進行。
3.2.2 反洗
反洗(反沖洗周期暫定為1次/2天,具體情況在調整)
當過濾器進出口壓差△P≥0.07-0.1MPa時,過濾器需反洗,反洗時開啟反洗排放閥2、反洗閥3,關閉進水閥1、出水閥5、正洗排放閥4,水從下排口c流出。反洗流量一般控制濾料不被沖出為準,一般為運行時的1.5-2倍左右。反洗到進水和出水的透明度相近時反洗結束(時間一般為10~20分)。反洗結束時,反洗流量逐漸減。ǖ鶻詵3),以利于濾料按顆粒大小分層沉降。
3.2.3 正洗
反洗完畢后,關閉反洗閥3、反洗排放閥2,開啟進水閥1、正洗排放閥4,濾料開始正洗。正洗流量為運行時流量,時間一般為10~20分鐘,到出水清澈透明時正洗完畢,設備可繼續投入運行。
3.2.4 運行
正反洗結束,濾器進入工作狀態,然后關閉下排閥4(進水閥1開啟狀態),并開啟出水閥5,濾器可投入運行。
4. 維護保養
4.1 安裝準備階段檢查
設備及附件在本公司已進行嚴格的質量檢查,經檢驗合格后發貨。因此對組裝成形的設備及附件不作不必要的拆卸和打開。但應認真對照發貨清單。清點、檢查貨物,以便安裝工序順利進行。設備等在運輸或開箱時,發現已有涂漆、防銹層損壞,應進行必要的修補。安裝時,在設備本體表面不允許進行電焊、氣割作業,以保證內部橡膠襯層不被燒壞。
4.2 試車準備階段檢查
設備在安裝、配管、儀表工程全部完工,并在對設備本體及配管的清洗工作結束后,應按照下列檢查項目進行檢查、維護。(見表一)
4.3 試車運行調試階段檢查
上述準備階段的檢查結束后,除要求進行試車外,還必須對下列項目進行檢查。(見表二)
4.4 日常運行檢查
經過試車、調試進入正常生產后,操作人員每天要定期巡回檢查設備現場。把巡回檢查的結果如實記錄下來,與運行記錄一起給予總結,作為定期維修的資料。(見表三)
4.5 定期檢查
正常生產一年以后,設備要進行定期檢查,定期檢查是為了保證第二年一年之內無事故地安全運行。
為了縮短定期檢查的停車時間,在檢查人員和檢修工人人數許可的情況下,盡量與水站其它設備裝置的檢查同時進行。檢查時如發現有異常,一定要及時處理,并給予解決。(見表四)
表一
檢查時間 | 檢查項目 | 判斷標準 | 保養維修 |
填 料 | 水壓試驗 | 人孔及各進出水口法蘭部位等處不漏水 | 有漏水,卸壓后擰緊該部位的緊固件 |
內部襯膠層檢查 | 襯膠層沒有異常及臟污 | 襯膠層有異常要進行修補、有臟污要清洗干凈 | |
內部零部件安裝狀態驗證 |
a.頂部布水裝置水平安裝不傾斜 |
a.傾斜安裝易發生偏流,必須糾正 | |
填 料 | 內部是否清掃干凈 | 無任何異物 | 徹底清掃干凈 |
充水工作 | 閥門的開閉檢查 | 各個閥門按照操作工序表所列程序動作正?眨刈榛睿摶斐I | 動作不正常,檢查原因予以糾正;轉動不靈活可加入潤滑油 |
閥門的泄漏檢查 | 閥門的閥蓋、法蘭、密封墊等部件無泄漏 | 有泄漏,可擰緊該部位的緊固件 |
表二
檢查時間 | 檢查項目 | 判斷標準 | 保養維修 |
試 車 |
填料是否 | 按照規定數量、要求填充各級別石英砂 | 填料未填充,按要求填充 |
試 車 | 各部分是否有泄漏 | 無泄漏現象 | 有泄漏須停車,卸壓后擰緊泄漏處緊固件 |
檢查各個 | 檢查流量計等以調整各個閥門開度 | 根據運行說明要領檢查后,記錄閥開位置 | |
檢查各處 | 各個壓力表點壓力示值正常 | 壓力異常,及時采取處理措施 |
表三
檢查周期 | 檢查項目 | 檢查方法或檢查點 | 備注 |
每 | 檢查有否漏水 | 設備的各密封部位及附屬閥門等各處是否漏水 | 如有漏水,找出漏水點位置及原因,及時止漏 |
檢查有否振動 | 閥門開閉時是否有不正常的振動 | 如有振動,查明原因,及時采取解決措施 | |
檢查各 | 檢查各壓力點壓力表的示值,驗證有無不正常壓力 | 如有異常壓力,對照相關資料,查明原因 | |
檢查流量 | 檢查流量計示值,驗證其是否表示正常流量 | 如流量表示不正常,及時查明原因,排除故障 |
表四
序 號 | 檢查項目 | 檢查方法、檢查、其它 |
1 | 填料檢查 | 檢查石英砂濾料,如石英砂污染嚴重,則應全部予以更換 |
2 | 橡膠襯里層檢查 | 無此項 |
3 | 內部緊固件檢查 | 檢查濾器內的螺栓螺母等緊固件,如有松動應重新擰緊 |
4 | 內部清洗 | 水沖洗后用廢布條把濾器內部清洗干凈 |
5 | 重新裝填濾料 | 按規定數量、要求向濾器內重新裝填濾料,測量填料量是否達到所需量,補充不足部分(一般1年添加一次,3年更換一次石英砂濾料) |
6 |
人孔密封墊 | 檢查人孔密封墊是否變形,如有變形應予以更換,把螺栓螺母浸在清洗油內,徹底除銹;安裝人孔蓋時螺栓螺母要涂上黃油 |
下一篇:不銹鋼雙聯過濾器的工作原理及特點